Cветодиодные светильники (LED),светотехническое и электрооборудование под любые задачи в Салехарде | Интернет-портал "Хороший свет"
ВСЕ ДЛЯ ОСВЕЩЕНИЯ И ЭЛЕКТРОМОНТАЖА
Ваш город

Салехард (Россия, Ямало-Ненецкий АО )?

Войти Регистрация

ОПТОВАЯ ПРОДАЖА ЭЛЕКТРООБОРУДОВАНИЯ

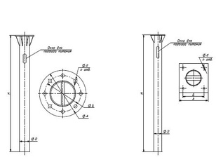
Закладная деталь для опоры ЗФ-30/4/К300-2,0-б ТАНС.31.001.000

Арт#OE-00041

Закладная деталь для опоры ЗФ-30/4/К300-2,0-б ТАНС.31.001.000

Закладная деталь для опоры ЗФ-30/4/К300-2,0-б ТАНС.31.001.000
Арт#OE-00041

Закладная деталь для опоры ЗФ-30/4/К300-2,0-б ТАНС.31.001.000


Производитель
Опора инжиниринг
Страна
Россия
20 228
О товаре
Описание
OPORA ING Закладная деталь фундамента ТАНС.31.001.000 (ЗФ-30/4/К300-2,0-б)
  • Производитель Опора инжиниринг
  • Страна Россия
  • Объем 0,32
Закладная деталь для опоры ЗФ-30/4/К300-2,0-б ТАНС.31.001.000
20 227.66 руб.